产品目录
蒸汽流量计
涡街流量计
孔板流量计
压缩空气流量计
气体流量计
热式气体质量流量计
旋进旋涡流量计
金属管浮子流量计
气体罗茨流量计
电磁流量计
涡轮流量计
椭圆齿轮流量计
水流量计
液体流量计
超声波流量计
磁翻板液位计
浮子液位计
浮球液位计
玻璃管液位计
雷达液位计
超声波液位计
投入式液位计
压力变送器
差压变送器
液位变送器
温度变送器
热电偶
热电阻
双金属温度计
推荐产品
联系我们
联系电话:13655235852
服务热线:0517-86801009
公司传真:0517-86801007
公司邮箱:1464856260@qq.com
公司地址:江苏省金湖县理士大道61号
DN40气体罗茨流量计
- 品*:JKM/凯铭仪表
- 型号:JKM-LLQ
- 测量范围:1-650m³/h
- 精度等级:1.0级/1.5级
- 公称通径:DN25-DN100
- 适用介质:天燃气、城市煤气
- 工作压力:400KPa
- 工作温度:≤80℃
- 供电方式:24V DC + 3.6V DC(锂电池)
- 订货号:VBKUOKCOE889
DN40气体罗茨流量计是在罗茨流量计基础上集成流量、温度、压力传感器和智能化仪表的新型流量计。是测量天燃气、城市煤气、丙烷、氮气、工业惰性气体等非腐蚀性气体的的理想仪表。

DN40气体罗茨流量计,主要由壳体、共轭转子和智能流量积算仪等部件构成。装于计量室内的一对共轭转子在流通气体的出入口压差(P 入>P 出)作用下,通过精密加工的调校齿轮使转子保持正确的相对位置。转子间、转子与壳体、转子与墙板间保持*佳工作间隙,实现了连续的无接触密封。转子每转动一周,输出四倍计量室有效容积的气体。

一、DN40气体罗茨流量计产品特点
1.高精度、高重复性:长期精度不受介质的影响,长期运行,精度稳定;
2.高集成度,低功耗:采用先进的微机技术与高性能的集成芯片,整机功能强大,性能优越;
3.基本输出完整:智能流量计带有基表脉冲输出、工况或标况脉冲信号输出,和标定脉冲输出。也可根据用户需要输出 4~20mA 模拟量信号或 RS485 通讯;
4.数据追溯管理:实时数据库,通过 RS-485 通讯接口,可查询分析;
5.分段修正:按流量频率信号,可将仪表系数分九段自动进行线性修正,提高仪表的宽范围精度;
6.完整数据存储功能:采用 E2PROM 数据存储芯片,保存用户参数、厂家参数,及时的数据保存功能,可防止突然掉电时数据丢失,在停电状态下,内部参数可永久性保存;
7.GPRS 实时管理系统:本系列中,B 型表具有 GPRS 传输功能,可在线、定时长、定点实现传输功能,监测仪表、控制阀、管线压力、燃气报警器等数据,*其容易组建GPRS无线网络系统;
二、DN40气体罗茨流量计技术参数

三、DN40气体罗茨流量计流量范围

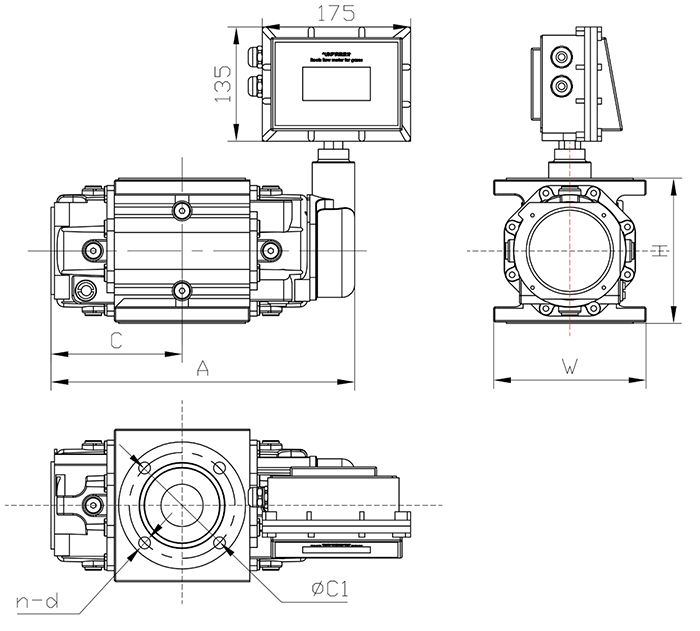
四、DN40气体罗茨流量计产品尺寸


五、DN40气体罗茨流量计产品选型

六、DN40气体罗茨流量计应用领域

DN40气体罗茨流量计是集成流量、温度、压力传感器和智能化仪表的新型流量计,测量天燃气、城市煤气、丙烷、氮气、工业惰性气体等非腐蚀性气体的的理想仪表。

