产品目录
蒸汽流量计
涡街流量计
孔板流量计
压缩空气流量计
气体流量计
热式气体质量流量计
旋进旋涡流量计
金属管浮子流量计
气体罗茨流量计
电磁流量计
涡轮流量计
椭圆齿轮流量计
水流量计
液体流量计
超声波流量计
磁翻板液位计
浮子液位计
浮球液位计
玻璃管液位计
雷达液位计
超声波液位计
投入式液位计
压力变送器
差压变送器
液位变送器
温度变送器
热电偶
热电阻
双金属温度计
推荐产品
联系我们
联系电话:13655235852
服务热线:0517-86801009
公司传真:0517-86801007
公司邮箱:1464856260@qq.com
公司地址:江苏省金湖县理士大道61号
石蜡油流量计
- 品*:JKM/凯铭仪表
- 型号:JKM-LC
- 测量范围:0.08~340m³/h
- 精度等级:0.5级、0.2级
- 公称通径:DN10~DN200
- 适用介质:柴油/高温高粘液体
- 工作压力:1.6~6.3MPa
- 工作温度:-20~200℃
- 供电方式:24VDC/指针
- 订货号:JVA866312KFK
一、石蜡油流量计概述
石蜡油流量计是用于管道中液体流量连续或间断测量和控制的容积式计量仪表。它具有量程范围大、准确度高、压力损失小、粘度适应性强、能测量高温高粘液体、标定方便、安装建议等诸多优点。适用于石油、化工、化纤、交通、商贸、食品、医药卫生等部门的流量计量。
LC系列石蜡油流量计装有指针和字轮累积装置,可现场直接显示流经管道内的液体累积流量。在计数机构中附加发讯装置与电显仪表配套可实现累积、定量和瞬时流量远传集中控制。加装散热器或椭轮欠齿可测量高温、高粘液体。
不同的液体(酸、碱、盐、有机溶液等)流量计主体可选择不同的材质制造。

二、石蜡油流量计结构与工作原理
石蜡油流量计由流量变送器和计数机构组成。变送器与计数机构之间加装散热器,则构成高温型流量计。送变器由装有一对椭圆齿轮转子的计量室和密封联轴器组成,计数机构则包含减速机构、调节机构、计数器、发讯器。

计量室内由一对椭圆齿轮与盖板构成初月形空腔作为流量的计量单位。椭圆齿轮靠流量计进出口压力差推动而旋转,从而不断地将液体经初月形空腔计量后送到出口处,每转流过的液体是初月形空腔的四倍,由密封联轴器将椭圆齿轮转的总数以及旋转的快慢传递给计数机构或发讯器,便可知道通过管道中液体总量和瞬时流量。

三、石蜡油流量计技术参数
1 铸铁型、铸钢型、不锈钢型椭圆齿轮流量计

2 高粘型椭圆齿轮流量计

3 高精度椭圆齿轮流量计(精度:0.2%)

4 高精度、高粘度椭圆齿轮流量计(精度:0.2%)

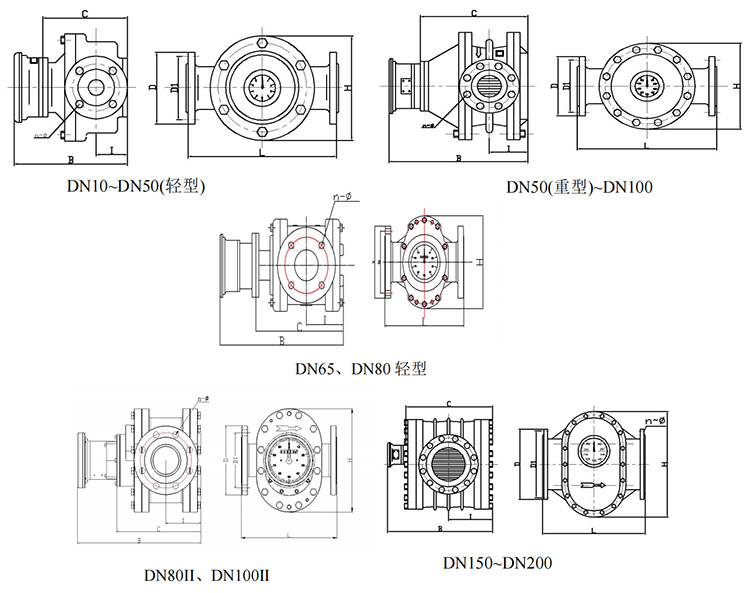
四、石蜡油流量计外形尺寸图

1 铸铁型椭圆齿轮流量计外形尺寸
型号:LC—A、LC—NA(高温型:DN50轻型及以下B加100mm,DN50重型及以上B加160mm)

2 铸钢型外形尺寸
型号:LC—E、LC—NE、 (高温型:DN50轻型及以下B加100mm,DN50重型及以上B加160mm)

*法兰尺寸为1.6MPa标准;(长度及法兰尺寸可定制);
3 LC—B型不锈钢椭圆齿轮流量计外形尺寸(单位:mm)
(高温型:DN50轻型及以下B加100mm,DN50重型及以上B加160mm)

*法兰尺寸为1.6MPa标准;(长度及法兰尺寸可定制);
*高温型椭圆齿轮流量计外形尺寸:DN15~DN50(轻型),B尺寸按上表数据加100mm热延伸管;DN50(重型)~DN200,B尺寸按上表尺寸加160mm热延伸管,其余尺寸同上表相应尺寸。
五、石蜡油流量计选型表


